產品介紹
點光源
點光源
YDLN系列- 特點
- 1. 特殊透鏡組合
- 2. 實現高亮度,高均勻的電光照明
介紹
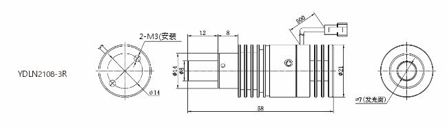
應用領域:配合同軸鏡頭使用,LED固晶機使用、晶片字元檢測、Mark點定位等一、產品解析
| YDLN | 21 | 08 | 3 | R |
| 型號 | 最大外徑 | 接口直徑 | 功率 | 顏色 |
二、LED發光顏色:●紅、●綠、●藍、○白、●紅外、●紫外
三、產品參數
| 項次 | 型號 | 顏色 | 發光面直徑(mm) | 接口直徑(mm) | 電壓V | 額定功率(W) | 外徑×高度(mm) |
| 1 | YDLN2108-3R | ●紅色 ●綠色 ●藍色 ○白色 | 7 | 8 | 5 | 3 | 21x58 |
| 2 | YDLN2108-3W | ●紅色 ●綠色 ●藍色 ○白色 | 7 | 8 | 5 | 3 | 21x58 |
| 3 | YDLN2108-3B | ●紅色 ●綠色 ●藍色 ○白色 | 7 | 8 | 5 | 3 | 21x58 |
| 4 | YDLN3808-3G | ●紅色 ●綠色 ●藍色 ○白色 | 7 | 8 | 5 | 3 | 21x58 |
| 5 | YDLN3808-5R | ●紅色 ●綠色 ●藍色 ○白色 | 7 | 8 | 5 | 5 | 38x80 |
| 6 | YDLN3808-5W | ●紅色 ●綠色 ●藍色 ○白色 | 7 | 8 | 5 | 5 | 38x80 |
| 7 | YDLN3808-5B | ●紅色 ●綠色 ●藍色 ○白色 | 7 | 8 | 5 | 5 | 38x80 |
| 8 | YDLN3808-5G | ●紅色 ●綠色 ●藍色 ○白色 | 7 | 8 | 5 | 5 | 38x80 |
四、外形尺寸(mm)