產品介紹
背光源
側部背光源
YTLN系列- 特點
- 1.自由設計寬度,長度,尺寸設計靈活
- 2.適用於大面積均勻照明,能很好突出工件
- 3.均勻性高
介紹
一、應用領域:精密零件尺寸測量、邊緣破損檢測、透明物體表面劃痕,內部異物檢測、液體高位,液體異物檢測等二、LED發光顏色:●紅色 ●綠色 ●藍色 ○白色
三、型號解析
四、產品參數
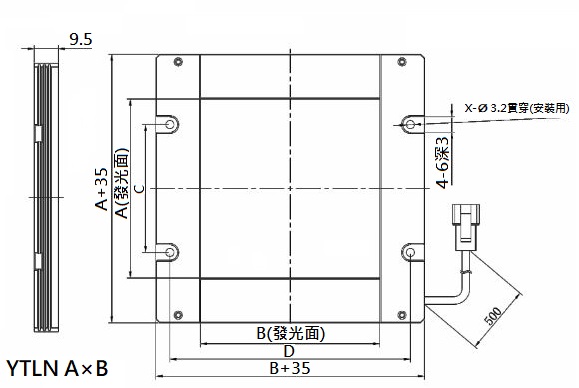
五、外形尺寸(mm)
.JPG)
.JPG)
| YTLN | 100 | 100 | R |
| 型號 | 發光長度 | 發光寬度 | 顏色 |
四、產品參數
| 項次 | 型號 | 顏色 | 工作距離 (mm) |
發光面 (mm) |
電壓V | 額定功率W -紅 |
額定功率W -白.藍.綠 |
長度×寬度×高度 (mm) |
| 1 | YTLN25x25 | ●紅色 ●綠色 ●藍色 ○白色 | 30-100 | 25x25 | 24 | 2 | 2.3 | 60x60x9.5 |
| 2 | YTLN50x50 | ●紅色 ●綠色 ●藍色 ○白色 | 30-100 | 50x50 | 24 | 4 | 6 | 85x85x9.5 |
| 3 | YTLN70x70 | ●紅色 ●綠色 ●藍色 ○白色 | 30-100 | 70x70 | 24 | 5 | 7 | 105x105x9.5 |
| 4 | YTLN80x80 | ●紅色 ●綠色 ●藍色 ○白色 | 30-100 | 80x80 | 24 | 5 | 7 | 115x115x9.5 |
| 5 | YTLN90x90 | ●紅色 ●綠色 ●藍色 ○白色 | 30-100 | 90x90 | 24 | 5 | 7.5 | 125x125x9.5 |
| 6 | YTLN110x110 | ●紅色 ●綠色 ●藍色 ○白色 | 30-100 | 110x110 | 24 | 6 | 8.5 | 145x145x9.5 |
| 7 | YTLN150x100 | ●紅色 ●綠色 ●藍色 ○白色 | 30-100 | 150x100 | 24 | 6 | 8.5 | 185x135x9.5 |
| 8 | YTLN200x160 | ●紅色 ●綠色 ●藍色 ○白色 | 30-100 | 200x160 | 24 | 6 | 9 | 235x195x9.5 |
| 9 | YTLN200x200 | ●紅色 ●綠色 ●藍色 ○白色 | 30-100 | 200x200 | 24 | 7 | 10 | 235x235x9.5 |
| 10 | YTLN250x200 | ●紅色 ●綠色 ●藍色 ○白色 | 30-100 | 250x200 | 24 | 8 | 12 | 285x235x9.5 |
| 11 | YTLN300x200 | ●紅色 ●綠色 ●藍色 ○白色 | 30-100 | 300x200 | 24 | 10 | 15 | 335x235x9.5 |
| 12 | YTLN300x300 | ●紅色 ●綠色 ●藍色 ○白色 | 30-100 | 300x300 | 24 | 17 | 25 | 335x335x9.5 |
| 13 | YTLN400x300 | ●紅色 ●綠色 ●藍色 ○白色 | 30-100 | 400x300 | 24 | 18 | 28 | 435x335x9.5 |
| 14 | YTLN600x400 | ●紅色 ●綠色 ●藍色 ○白色 | 30-100 | 600x400 | 24 | 20 | 30 | 635x435x9.5 |
五、外形尺寸(mm)