產品介紹
同軸光源
同軸光源
YCOAN系列- 特點
- 1.特殊光學分光鏡無重影
- 2.同等尺寸有更高亮度方案選擇
- 3.均勻性高
- 4.外形設計緊湊,安裝靈活
介紹
1. Application fields: scratch detection on highly reactive surfaces such as metal and glass, QR code detection, silk screen alignment, MARK point positioning, chip, chip damage detection, bearings, lettering detection on beverage bottles, etc.2. Product parameters
| Item | model | Luminous surface diameter | Voltage V | Rated power (W) | Rated power (W) | Length × Width × Height |
| (mm) | - red | - white. blue. green | (mm) | |||
| 1 | YCOAN20 | 20x20 | 24 | 2 | 3 | 64x31x27 |
| 2 | YCOAN30 | 30x30 | 24 | 2 | 3.5 | 74x40x37 |
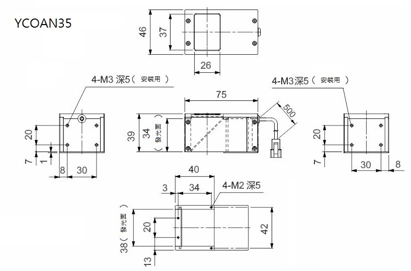
| 3 | YCOAN35 | 38x34 | 24 | 2.5 | 3.6 | 75x46x39 |
| 4 | YCOA2N40 | 40x40 | 24 | 4 | 5.5 | 86x50x48 |
| 5 | YCOA2N50 | 50x50 | 24 | 4 | 6.5 | 96x60x58 |
| 6 | YCOA2N60 | 60x60 | 24 | 7 | 10.8 | 106x70x68 |
| 7 | YCOAN70 | 75x73 | 24 | 5 | 7 | 120x85.5x79 |
| 8 | YCOAN80 | 85x83 | 24 | 5 | 7 | 130x95.4x89 |
| 9 | YCOAN100 | 100x100 | 24 | 15 | 22 | 146x110x107 |
| 10 | YCOAN120 | 120x120 | 24 | 12 | 18 | 165.5x134x133 |
| 11 | YCOAN150x120 | 150x120 | 24 | 14 | 21 | 166x160x127 |
| 12 | YCOAN200x180 | 200x180 | 24 | 30 | 46 | 231.5x212x187 |
| 13 | YCOAN240x180 | 240x180 | 24 | 37 | 56 | 264.5x262x197 |
一、應用領域:金屬,玻璃等高反應表面劃痕檢測、二維碼檢測、絲印對位、MARK點定位、晶片,晶片破損檢測、軸承,飲料瓶上刻字檢測等
二、產品參數
五、外形尺寸(mm)

.JPG)


.JPG)


.JPG)


三、發光顏色
四、型號解析
五、外形尺寸(MM)



二、產品參數
| 項次 | 型號 | 發光面直徑 (mm) |
電壓V | 額定功率(W) -紅 |
額定功率(W) -白.藍.綠 |
長度×寬度×高度 (mm) |
| 1 | YCOAN20 | 20x20 | 24 | 2 | 3 | 64x31x27 |
| 2 | YCOAN30 | 30x30 | 24 | 2 | 3.5 | 74x40x37 |
| 3 | YCOAN35 | 38x34 | 24 | 2.5 | 3.6 | 75x46x39 |
| 4 | YCOA2N40 | 40x40 | 24 | 4 | 5.5 | 86x50x48 |
| 5 | YCOA2N50 | 50x50 | 24 | 4 | 6.5 | 96x60x58 |
| 6 | YCOA2N60 | 60x60 | 24 | 7 | 10.8 | 106x70x68 |
| 7 | YCOAN70 | 75x73 | 24 | 5 | 7 | 120x85.5x79 |
| 8 | YCOAN80 | 85x83 | 24 | 5 | 7 | 130x95.4x89 |
| 9 | YCOAN100 | 100x100 | 24 | 15 | 22 | 146x110x107 |
| 10 | YCOAN120 | 120x120 | 24 | 12 | 18 | 165.5x134x133 |
| 11 | YCOAN150x120 | 150x120 | 24 | 14 | 21 | 166x160x127 |
| 12 | YCOAN200x180 | 200x180 | 24 | 30 | 46 | 231.5x212x187 |
| 13 | YCOAN240x180 | 240x180 | 24 | 37 | 56 | 264.5x262x197 |
五、外形尺寸(mm)
三、發光顏色
| ●紅色 ●綠色 ●藍色 ○白色 |
四、型號解析
| YCOAN | 50 | R |
| 型號 | 發光長度 | 顏色 |
五、外形尺寸(MM)